Управление вентиляторомнасос котлаУправление насосом котланасос центрального отопленияУправление насосом центрального отопления (ЦО)насос горячего водоснабженияУправление насосом горячего водоснабжения (ГВС)Комнатный термостатРежим "Розжиг
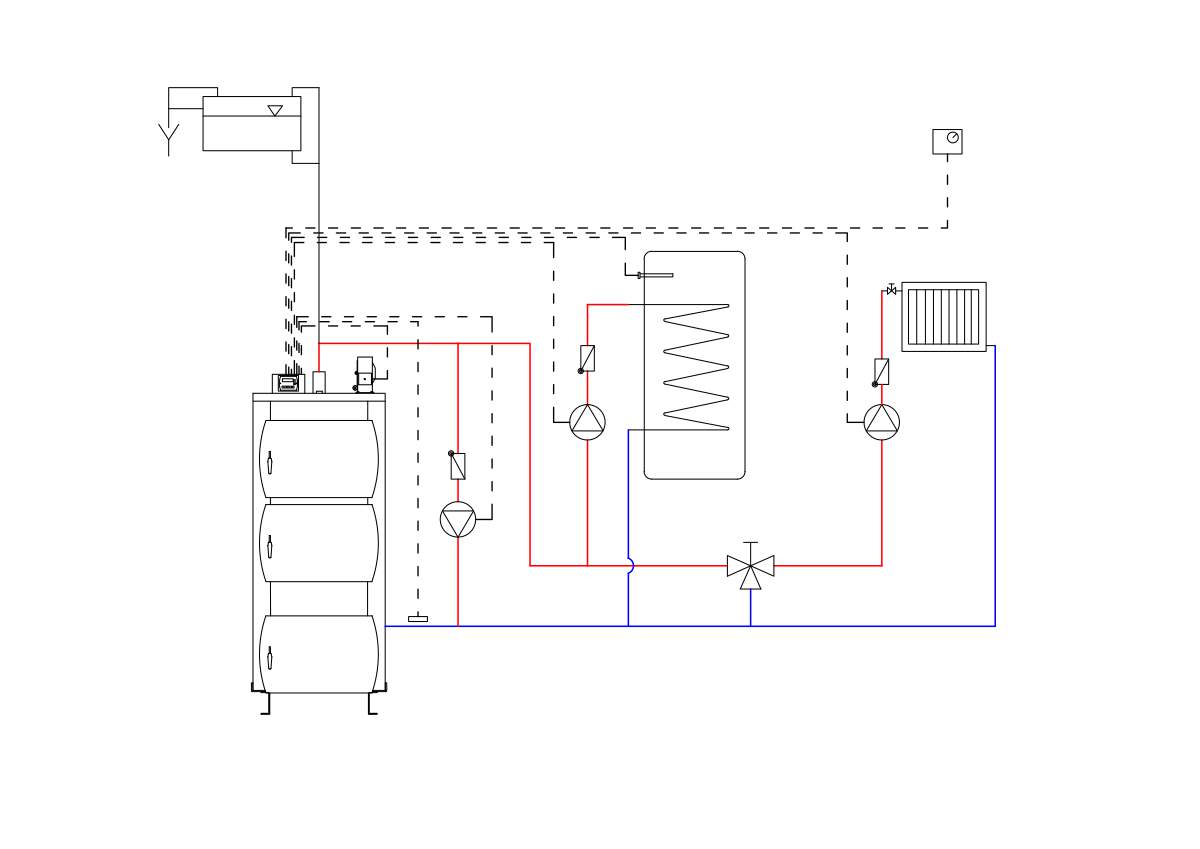
Микропроцессорный контроллер HT tronic 300 предназначен для управления работой котла с ручной загрузкой топлива и системой отопления в целом. Контроллер предназначен для установки на котел сверху.

Прочный корпус контроллера выполнен из металла и покрыт полимерной краской. Контроллер оборудован контрастным жидкокристаллическим дисплеем с подсветкой, что позволяет просматривать информацию при любом освещении. Отдельные световые индикаторы показывают режимы работы контроллера и работу различных агрегатов.

Управление процессом горения в котле осуществляется путем регулирования скорости подачи воздуха наддувным вентилятором. Автоматика контроллера регулирует обороты вентилятора в зависимости от необходимой температуры в котле, тем самым минимизируя расход топлива.

Помимо управления работой вентилятора контролер управляет работой насоса горячего водоснабжения (ГВС), насосом центрального отопления (ЦО), насосом котла. Управление контуром горячего водоснабжения осуществляется в нескольких режимах. Режим «Лето» позволяет использовать котел только для нагрева горячей воды. Одна из функций контроллера - работа с комнатным термостатом.


Используется в котлах:
Q Plus Komfort
Q HIT PLUS Q PLUS Q PLUS DR Q PLUS KOMFORT

Схема подключения HT tronic 300

 Приглашаем к сотрудничеству!




Тел.: 8 800 333 5 200